ハンマーロック キャスター機器用ストッパー・ドア/門扉固定金具|移動防止に最適 吉川商工
ハンマーロック ハンマーロック900
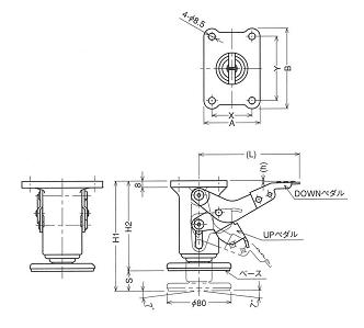
909ハンマーロック
キャスターの取り付けられたあらゆる機器の移動防止、ドア、門扉用ストッパーなどにご利用頂ける製品です。
ハンマーロック
900フリーロック
| 品番 |
全長 |
UP高さ |
ストローク |
取付穴径 |
取付ピッチ |
床面からの寸法 |
価格/個 |
| 900-A | 223 | 46 | 38 | 7 | 15 | 25~30 | お見積り |
| ■ フリーロックを直接側面に取付困難なときは、下記アタッチメントをご利用ください。 | |
| L型アタッチメント | P型アタッチメント |
|
|
|
| お見積り | お見積り |
| 900フリーロック仕様例 | |
|
|
|
ハンマーロック
ハンマーロック900
|
9002 |
9005 |
|||||||||
| 品番 | 適正取付高さ mm |
|
|
|
|
|
|
質量 kg |
最大積載 質量kg |
価格 |
| 9002-100 | 142 | 150 | 125 | 25 | 120×120 | 85×85 100×100 |
138 | 1.6 | 200 | お見積り |
| 9004-150 | 202 | 210 | 170 | 40 | 120×120 | 85×85 100×100 |
146 | 1.8 | 300 | お見積り |
| 9005-200 | 240 | 248 | 198 | 50 | 120×120 | 85×85 100×100 |
138 | 1.9 | 350 | お見積り |
ハンマーロック
取付の注意

ハンマーロック
安全な使い方

ハンマーロック
ハンマーロック900
ステンレス
| 品番 | 適正取付 高さ |
|
|
|
|
|
|
質量 kg |
最大積載 質量kg |
価格 |
| 9002-SUS100 | 142 | 150 | 125 | 25 | 120×120 | 85×85 100×100 |
138 | 1.6 | 200 | お見積り |
| 9004-SUS150 | 202 | 210 | 170 | 40 | 120×120 | 85×85 100×100 |
146 | 1.8 | 300 | お見積り |
ハンマーロック
909ハンマーロック
|
909LK-42S100 |
||||||||||
| 品番 | 適正取付 高さ |
|
|
|
|
|
|
|
質量 g |
価格 |
| 909LK-42S100 | 132 | 137 | 112 | 25 | 70×100 | 50×80 | 127 | 8.5 | 770 | お見積り |
| 909LK-42S125 | 168 | 173 | 148 | 25 | 100×100 | 80×80 | 126 | 8.5 | 810 | お見積り |
|
909LK-42S150 |
||||||||||
| 909LK-42S150 | 190 | 195 | 170 | 25 | 100×100 | 80×80 | 126 | 8.5 | 850 | お見積り |
|
42S-100 |
42S-125.150 |
|||||||||
ハンマーロックは、返品、交換ができませんので、ご注意ください。
