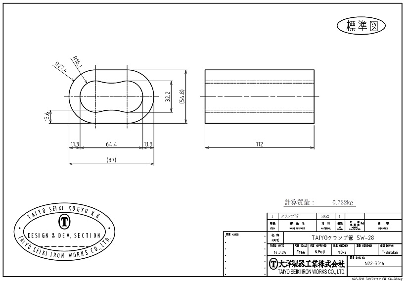
アルミクランプ管SW28寸法図

アルミクランプ管SW-28

寸法図

アルミクランプ管SW-28

戻る

株式会社 吉川商工
電話 0265-22-4750
FAX 0265-52-5640
お取引のご案内
注文用FAX用紙
見積用FAX用紙

吉川商工

 

 

Copyright(c)YOSHIKAWA SYOKO|アルミクランプ管SW28寸法図|All Right Reserved .